米兰体育官方网站 - MILAN
你的位置:米兰体育官方网站 - MILAN > 米兰资讯 >

芯片烧录一样者昂科本事在推出全新版烧录软件之际米兰,同步晓谕进一步扩大兼容芯片的型号掩盖范围。值得一提的是,其旗下的通用烧录平台AP8000,现已完成与意法半导体的主流微端正器STM32C071CBU6N的全面适配,将为磋磨领域客户提供高效且巩固的专科烧录处治有规划。
STM32C071CBU6N主流微端正器基于职责频率可达48MHz的高性能Arm® Cortex®-M0+ 32位RISC内核,具有高集成度,妥贴花消、工业和家电领域的各类期骗,也能充分得志物联网(IoT)处治有规划的需求。
STM32C071CBU6N集成了存储器保护单位(MPU)、高速镶嵌式存储器(24KB SRAM和高达128KB的Flash才能存储器,后者带读写保护功能、稀奇代码保护功能和安全区域)、DMA、丰富的系统功能、增强型I/O与外设。器件提供了多种圭臬通讯接口(2个I2C、2个SPI/1个I2S、1个全速USB和2个USART)、1个具有多达19通说念的12位ADC(2.5Msps)、1个低功耗RTC、1个高档端正PWM定时器、4个通用16位定时器、1个32位通用定时器、2个看门狗定时器和1个SysTick定时器。
STM32C071CBU6N可在-40°C至125°C的环境温度和2.0V至3.6V的电源电压下职责。经过优化的动态功耗与省电模式相纠合,纵脱打造低功耗期骗假想。
STM32C071CBU6N提供19引脚至64引脚的不同封装规格。

系数功能
• 包含意法半导体先进专利本事
• 内核:Arm®32位Cortex®-M0+ CPU,频率可达48MHz
• 职责温度:-40°C至85°C/105°C/125°C
• 存储器
– 高达128KB的Flash存储器,带保护功能和安全区域
– 24KB的SRAM,撑合手硬件奇偶校验
• CRC筹划单位
• 复位和电源经管
– 电压范围:2.0V至3.6V
– 零丁的I/O电源引脚(1.65V至3.6V)
– 上电/掉电复位(POR/PDR)
– 可编程欠压复位(BOR)
– 低功耗模式:睡觉、住手、待机、关断
• 时钟经管
– 4MHz至48MHz晶振
– 带校准功能的32kHz晶振
– 内置48MHz RC回荡器(±1%)
– 里面48MHz RC回荡器,带时钟收复系统
其实大会定调的核心从不是“催生涨价”,而是“稳字当头”。经过这几年的调整,房地产早已告别“闭眼买房都赚钱”的时代,现在的市场逻辑是“分化”二字。数据显示,一线城市核心区去化周期仅12个月,北京海淀、上海陆家嘴等板块次新房价格逆势微涨2%-3%;而三四线城市去化周期普遍超30个月,部分区域房价仍有回调压力。政策端的限购优化、公积金提额、房票安置等举措,都是为了支持合理住房需求,而非刺激投机,这一点从首套房商贷利率降至3.5%-4%的历史低位就能看出。
– 内置32kHz RC回荡器(±5%)
• 高速I/O端口多达61个
– 系数端口均可映射到外部中断向量
– 系数均为5V耐压
• 撑合手天真映射的5通说念DMA端正器
• 12位0.4 µs ADC(多达19个外部通说念)
退换范围:0V到3.6V
• 9个定时器:1个用于高档电机端正的16位定时器、1个32位定时器、4个16位通用定时器、2个看门狗定时器和1个SysTick定时器
• 撑合手警报功能的日期RTC
• 通讯接口
– 2个I2C总线接口,通过颠倒的恒流源撑合手极速模式(1Mbit/s),其中一个撑合手SMBus/PMBus™以及从住手模式叫醒功能
– 2个USART,撑合手主/从同步SPI;其中1个撑合手ISO7816接口、LIN、IrDA功能、自动波特率检测和叫醒功能
– 2个SPI(24Mbit/s),具有4至16位可编程位帧,其中一个与I²S接口复用;通过USART提供2个颠倒SPI
• USB 2.0 FS器件(无晶振)和主端正器
• 开辟撑合手:串行线调试(SWD)
• 96位独一ID
• 系数封装均恰当ECOPACK 2圭臬

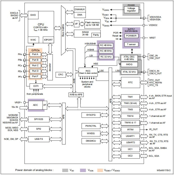
里面框图
昂科本事自主研发的AP8000万用烧录器,已成为行业内具有标杆真理的专科烧录处治有规划。该建设撑合手天真可调的一拖一及一拖概况立模式,并提供在线、离线双职责模式,尤其针对eMMC、UFS等存储芯片开辟了专属烧录有规划,可全面掩盖意法半导体全系列芯片的裸片离线烧录与在板烧录需求。AP8000采选主机、底板、适配座三大中枢模块的革命模块化假想,MILAN SPORTS赋予建设出色的兼容性与推广能力。当作通用型烧录平台,其不仅能适配市集上各类可编程芯片,更以巩固高效的性能进展,成为昂科自动化批量烧录建设IPS5800S的中枢组件,可高效处理大领域芯片烧录任务,得志量产需求。

AP8000主机具备天的确绽放款式,同期配备USB和NET接口,可结束多台编程器的方便组网。通过组网功能,用户能够纵脱结束多台编程器的同步端正,高效开展并行烧录功课。在安全性方面,主机内置智能安全保护电路,可及时监测芯片遗弃气象与电路绽放情况,一朝检测到芯片反插、短路等十分,将立即触发断电保护机制,全意见防守芯片和编程器的安全运转。主机里面搭载高速FPGA芯片,大幅提高数据传输与处理后果,确保烧录过程畅达高效。为增强使用方便性,主机背部确立SD卡槽,用户只需将PC端生成的工程文献存储至SD卡,并插入卡槽,即可通过编程器实体按键完成文献选拔、加载与烧录操作,结束脱离PC的零丁运转。这一假想不仅裁减了对筹划机硬件成立的依赖,还简化了职责环境搭建过程,显赫提高操作天真性。
在推广性与兼容性上,AP8000采选底板与适配板模块化组合假想,灵验拓展主机功能畛域。当今米兰,该建设已结束对全主流半导体厂商家具的撑合手,掩盖HAAWKING, XHSC, ZHIXIN, SAMSUNG, KIOXIA等有名品牌。其撑合手器件类型庸碌,涵盖NAND, NOR, MCU, CPLD, FPGA, EMMC等,并全面兼容Intel Hex, Motorola S, Binary, POF等多种行业圭臬文献神情,为用户提供一站式、全场景的芯片烧录处治有规划。

备案号: